公布日:2024.04.12
申請日:2024.01.24
分類號:C02F3/30(2023.01)I;C02F101/16(2006.01)N
摘要
本發明提供了一種提升污水處理廠A2/O工藝脫氮能力的系統,具體包括生化池進水管、厭氧區、缺氧區、好氧區、硝化液回流泵、好氧池出水管、監測探頭、PLC控制柜;所述生化池進水管連通厭氧區進水端;所述厭氧區底部通過開口與缺氧區相連通;所述缺氧區通過開口進入好氧區;所述好氧區通過硝化液回流泵返回至缺氧區;所述監測探頭安裝在好氧區,用于監測;所述PLC控制柜與監測探頭電性連接;所述好氧池出水管安裝在好氧區出水端。該系統,一方面,能夠防止A2/O工藝中硝化液回流攜帶溶解氧過高,對缺氧區反硝化菌造成抑制;另一方面,能夠強化A2/O工藝生物脫氮的同時降低能耗。

權利要求書
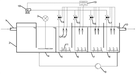
1.一種提升污水處理廠A2/O工藝脫氮能力的系統,其特征在于:包括生化池進水管(1)、厭氧區(2)、缺氧區(4)、好氧區、硝化液回流泵(9)、好氧池出水管(10)、監測探頭、PLC控制柜;所述生化池進水管(1)連通厭氧區(2)進水端;所述厭氧區(2)底部通過開口與缺氧區(4)相連通;所述缺氧區通過開口進入好氧區;所述好氧區通過硝化液回流泵(9)返回至缺氧區(4);所述監測探頭安裝在好氧區,用于監測;所述PLC控制柜與監測探頭電性連接;所述好氧池出水管(10)安裝在好氧區出水端。
2.根據權利要求1所述提升污水處理廠A2/O工藝脫氮能力的系統,其特征在于:所述好氧區包括好氧區a(5)、好氧區b(6)、好氧區c(7)、好氧區d(8)、曝氣盤(11)和電動閥門;所述曝氣盤(11)設置在好氧區底部,每一個曝氣支管均獨立地通過一個電動閥門相連接;所述好氧區a(5)、好氧區b(6)、好氧區c(7)、好氧區d(8)依次按順序設置,其中所述好氧區d內通過硝化液回流泵(9)與缺氧區(4)相連通。
3.根據權利要求2所述提升污水處理廠A2/O工藝脫氮能力的系統,其特征在于:電動閥門包括電動閥門a(14)、電動閥門b(15)、電動閥門c(16)和電動閥門d(17);其中好氧區a(5)內曝氣盤(11)與電動閥門a(14)電性連接;好氧區b(6)內曝氣盤(11)與電動閥門b(15)電性連接;好氧區c(7)內曝氣盤(11)與電動閥門c(16)電性連接;好氧區d(8)內曝氣盤(11)與電動閥門d(17)電性連接。
4.根據權利要求1-3任一所述提升污水處理廠A2/O工藝脫氮能力的系統,其特征在于:所述監測探頭包括DO監測探頭(12)、氨氮監測探頭(13),獨立地安裝在生化池區域的內部,與PLC控制柜均電性連接。
5.根據權利要求2所述提升污水處理廠A2/O工藝脫氮能力的系統,其特征在于:還包括鼓風機(3),所述鼓風機(3)與PLC控制柜、電動閥門電性連接,且與好氧區相連通。
6.一種提升污水處理廠A2/O工藝脫氮能力的方法,其特征在于:所述方法是基于根據權利要求1-5任一所述提升污水處理廠A2/O工藝脫氮能力的系統基礎上,進行智慧曝氣方法,具體包括:步驟一:設定好氧區d區域內的氨氮濃度閾值,當實測氨氮濃度大于閾值時,DO監測探頭應停止監測工作,需要增大鼓風機頻率,對好氧區d區域內氨氮濃度進行調節,直至在閾值內后,進行下一步驟;當實測氨氮濃度小于閾值時,需通過DO監測探頭正常傳輸工作獲得監測溶氧濃度;步驟二:按照順序好氧區a(5)、好氧區b(6)、好氧區c(7)、好氧區d(8)四個區域,將區域內DO溶氧濃度,設定為階梯遞減的方式;通過DO監測探頭進行檢測;步驟三:按照好氧區d(8)、好氧區c(7)、好氧區b(6)、好氧區a(5)順序,進行監測溶氧濃度,當監測到不在設定的閾值內時,需要通過調節氣路電動閥門,進行調整溶氧濃度直至該區域正常后,才能進行下一個好氧區的監測工作,直至,所有的好氧區都在閾值內。
7.根據權利要求6所述提升污水處理廠A2/O工藝脫氮能力的方法,其特征在于:步驟一中,所述氨氮濃度閾值設定在出水標準以下。
8.根據權利要求6所述提升污水處理廠A2/O工藝脫氮能力的方法,其特征在于:步驟二中,好氧區a(5)、好氧區b(6)、好氧區c(7)、好氧區d(8)的區域內溶氧濃度閾值依次設定為3.0-4.0mg/L、2.0-3.0mg/L、1.0-2.0mg/L、0.5-1.0mg/L。
9.根據權利要求6所述提升污水處理廠A2/O工藝脫氮能力的方法,其特征在于:步驟三中,當超過好氧區閾值時,通過減少對應區域的電動閥門開度進行調節,或降低鼓風機頻率;當低于好氧區閾值時,通過增加電動閥門的開度進行調節。
10.根據權利要求6所述提升污水處理廠A2/O工藝脫氮能力的方法,其特征在于:還包括設定好氧區d的出水氨氮濃度閾值為出水標準,當實測值高于出水氨氮濃度閾值,判定為已超過好氧區d區域內的氨氮濃度閾值,直接進行步驟一的工作。
發明內容
技術方案:為了解決上述的技術問題,本發明提供的一種提升污水處理廠A2/O工藝脫氮能力的系統,具體包括生化池進水管、厭氧區、缺氧區、好氧區、硝化液回流泵、好氧池出水管、監測探頭、PLC控制柜;所述生化池進水管連通厭氧區進水端;所述厭氧區底部通過開口與缺氧區相連通;所述缺氧區通過開口進入好氧區;所述好氧區通過硝化液回流泵返回至缺氧區;所述監測探頭安裝在好氧區,用于監測;所述PLC控制柜與監測探頭電性連接;所述好氧池出水管安裝在好氧區出水端。
作為改進,所述好氧區包括好氧區a、好氧區b、好氧區c、好氧區d、曝氣盤和電動閥門;所述曝氣盤設置在好氧區底部,每一個曝氣盤均獨立地通過一個電動閥門相連接;所述好氧區a、好氧區b、好氧區c、好氧區d依次按順序設置,其中所述好氧區d內通過硝化液回流泵與缺氧區相連通。
作為改進,電動閥門包括電動閥門a、電動閥門b、電動閥門c和電動閥門d;其中好氧區a內曝氣盤與電動閥門a電性連接;好氧區b內曝氣盤與電動閥門b電性連接;好氧區c內曝氣盤與電動閥門c電性連接;好氧區d內曝氣盤與電動閥門d電性連接。
作為改進,所述監測探頭包括DO監測探頭、氨氮監測探頭,獨立地安裝在生化池區域的內部,與PLC控制柜均電性連接。
作為改進,還包括鼓風機,所述鼓風機與PLC控制柜、電動閥門電性連接,且與好氧區相連通。
同時,還提供了上述系統的方法,是基于上述系統進行的智慧曝氣方法,具體包括:
步驟一:設定好氧區d區域內的氨氮濃度閾值,當實測氨氮濃度大于閾值時,需要增大鼓風機頻率,對好氧區d區域內氨氮濃度進行調節,直至在閾值內后,進行下一步驟;當實測氨氮濃度小于閾值時,需通過DO監測探頭正常傳輸工作獲得監測溶氧濃度;
步驟二:按照順序好氧區a、好氧區b、好氧區c、好氧區d四個區域,將區域內DO溶氧濃度,設定為階梯遞減的方式;通過DO監測探頭進行檢測;
步驟三:按照好氧區d、好氧區c、好氧區b、好氧區a順序,進行監測溶氧濃度,當監測到不在設定的閾值內時,需要通過調節氣路電動閥門,進行調整溶氧濃度直至該區域正常后,才能進行下一個好氧區的監測工作,直至,所有的好氧區都在閾值內。
作為改進,步驟一中,所述氨氮濃度閾值為出水標準。
作為改進,步驟二中,好氧區a、好氧區b、好氧區c、好氧區d的區域內溶氧濃度閾值依次設定為3.0-4.0mg/L、2.0-3.0mg/L、1.0-2.0mg/L、0.5-1.0mg/L。
作為改進,步驟三中,當超過好氧區閾值時,通過減少對應區域的電動閥門開度進行調節,或降低鼓風機頻率;當低于好氧區閾值時,通過增加電動閥門的開度進行調節。
作為改進,還包括設定好氧區d的出水氨氮濃度閾值為出水標準,當實測值高于出水氨氮濃度閾值,判定為已超過好氧區d區域內的氨氮濃度閾值,直接進行步驟一的工作。
有益效果:本發明提出的系統,是通過智慧曝氣的方式使好氧池DO階梯下降,在好氧區a-c中基本可完成硝化反應,在好氧區d中降低曝氣量,使得硝化液回流中攜帶的DO較低,減輕對缺氧區中反硝化菌的抑制。
另外,通過智慧曝氣的控制方式,使每個好氧區域的DO處于合適范圍內,減少曝氣量的損失,降低能耗。
(發明人:陳夢雪;申朝陽;方鑫;韓笑)






