濕式催化氧化法(CWAO)是20世紀80年代國際上發展起來的一種治理高濃度有機廢水的新技術。是在一定溫度、壓力下,在催化劑作用下,經空氣氧化使廢水中的有機物、氨分別氧化分解成CO2、H2O及N2等無害物質,達到凈化目的。其特點是凈化效率高,流程簡單,占地面積少。可使焦化廢水中CODc,和NH3 -N 的去除率分別達99.5%和99.8%。經日本大阪瓦斯公司估算,治理費用與生化法接近,但治理后出水水質,遠優于生化法,可達到回用水質。
濕式催化氧化法處理原理與工藝流程
濕式催化氧化法(CWAO法)在各種有毒有害和難降解的高濃度有機廢水處理中非常有效,具有很高實用價值。加入適宜的催化劑以降低反應所需溫度和壓力,提高氧化分解能力,縮短時間,防止設備腐蝕和降低成本。應用催化劑加快反應速度,主要原因,其一降低
了反應的活化能;其二改變反應歷程。
廢水在高溫高壓下,在保持液相狀態時通人空氣,在催化劑的作用下,對焦化廢水 污染物進行徹底的氧化分解,使之轉化為無害物質,從而使廢水得到深度凈化。如廢水中含氮化合物的氨氮、氰化物、硫氰化物、有機氧化物等經分解后,最終生成N2、CO2、SO42-等。同時可以查看中國污水處理工程網更多技術文檔。
NH3+3/4O2=3/2H2O+1/2N2
NH4SCN+7/2O2=N2+ H2O+H2SO4+CO2
廢水中的酚類、烴類以及一般構成COD的組成,經催化濕式氧化后也生成CO2和H2O等。
C6H5OH+7O2=6CO2+3H20
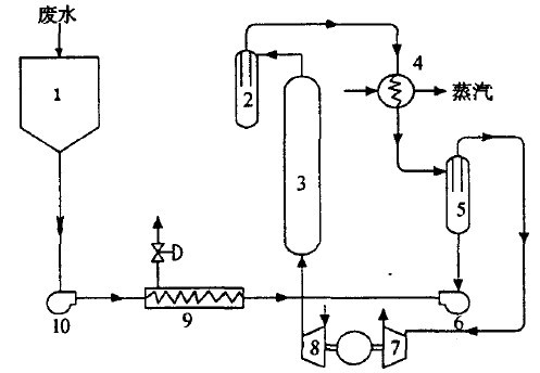
其處理工藝流程如圖1所示。

圖1 CWAO法工藝流程
1-貯存罐;2-分離器;3-健化反應器;4-再沸器;5-分離器;6- 循環泵;7- 透平機;8-空壓機;9-熱交換器;1O-高壓泵
其工藝過程為:廢水通過貯存罐由高壓泵打入熱交換器,與反應后的高溫氧化液體換熱,使溫度上升到接近于反應溫度后進入反應器。反應所需的氧由壓縮機打入反應器。在反應器內,廢水中的有機物與氧發生放熱反應。在較高溫度下將廢水中的有機物氧化成二氧化碳和水,或低級有機酸等中間產物。反應后氣液混合物經分離器分離,液相經熱交換器預熱進料,回收熱能。高溫高壓的尾氣首先通過再沸器(如廢熱鍋爐)產生蒸汽或經熱交換器預熱鍋爐進水。其冷凝水由第二分離器分離后通過循環泵再打入反應器,分離后的高壓尾氣送入透平機產生機械能或電能。因此,這一典型的工業化催化濕式氧化系統不但處理了廢水,而且對能量逐級利用,減少了有效能量的損失,維持并補充催化濕式氧化系統本身所需的能量。


