人工濕地是指依據土地處理系統及水生植物處理污水的原理,由人工建立的具有濕地性質的污水處理生態系統。人工濕地利用基質、植物和微生物這個復合生態系統的物理、化學和生物的三重協調作用,通過過濾、吸附、共沉淀、離子交換、植物吸收和微生物分解來實現對廢水的高效凈化。人工濕地污水處理系統具有出水水質穩定、對營養物質去除能力強、基建和運行費用低、技術含量低、能耗低的特點,且其維護管理方便、耐沖擊負荷強、對環境擾動小、有利于保護和改善原有環境,有較高的美化環境價值;以其治理污染時可以收獲植物和生物能源,獲得較好的經濟效益。近10 a 來,一些人工濕地凈化的研究開始涉及以人工濕地處理特殊金屬廢水,并認為人工濕地獨特而復雜的凈化機理使其能夠在含金屬的廢水處理中發揮重要作用。本研究通過構建金邊麥冬人工濕地,研究了金邊麥冬人工濕地對含鉛廢水的凈化作用及流量對處理效果的影響,探討了植物和基質對含鉛廢水凈化效率的貢獻。
1 實驗部分
1.1 實驗材料及試劑
1.1.1 實驗材料
植物:金邊麥冬購于重慶永川苗圃園,植株大小基本一致,植株根部大小相當,且植株健康無病蟲害。基質:自然土壤,采自重慶永川區黃瓜山自然土壤,無腐葉,已篩選出石頭,雜質。塑料箱:長50 cm,寬40 cm,高21 cm。
1.1.2 實驗試劑
醋酸銨、冰醋酸、二甲酚橙、硝酸鉛、濃硫酸、乙二胺四乙酸二鈉,上述試劑均為分析純。
1.2 人工濕地的構建
1.2.1 實驗流程設計
種植植物、模擬金邊麥冬人工濕地系統的建立—模擬含鉛廢水的配制—馴化人工濕地系統—進水監測—通入標定好的模擬廢水—出水監測—數據整理及分析研究—得出實驗結論。
1.2.2 實驗箱裝置結構
采用長50 cm、寬40 cm、高21 cm 的塑料箱進行實驗。在箱一長邊20 cm 處放置一塊等寬、高為 16 cm 的塑料擋板,再距離此擋板20 cm 處放置一塊等寬、高為12 cm 的塑料擋板,這樣能使通入的廢水浸沒高擋板的填料槽后再流入并浸沒低擋板的填料槽,最后流入取水槽。在2 個20 cm×40 cm×21 cm 的填料槽中放入預先選定的土壤基質,在基質材料上種植金邊麥冬。實驗箱裝置結構見圖 1。
圖 1 實驗箱裝置結構
1.2.3 植物栽培及馴化
實驗組共種植金邊麥冬40 株,在2 個種植區各種20 株,以不種植植物為對照組做空白實驗。植物移栽到塑料箱后先通入自來水,待植物成活以后,用含鉛廢水對植物進行馴化,7 d 后再用自來水澆灌, 2 d 后排出積水,開始通含鉛廢水進行實驗。
1.3 實驗監測方法
實驗中廢水含鉛濃度的監測采用EDTA 絡合滴定法。
1.4 實驗方法
往塑料箱中通入一定流量的含鉛廢水,持續3 d 后,取出取水槽中的水樣進行監測。與此同時,停止通廢水,并排出系統中的剩余廢水,持續通清水2 d,排除清水后進行下一流量的實驗。以同樣基質材料作為對照組按同樣方法進行實驗。根據進、出廢水中的鉛濃度變化計算去除率。
2 結果與討論
2.1 廢水流量對人工濕地系統處理含鉛廢水的影響
廢水流量對人工濕地系統處理含鉛廢水的影響見圖 2。
由圖 2 可以看出,在土壤基質中,系統對流量為 3 L/d 的廢水中的鉛去除率最高,可達到98.30%。隨著通入廢水流量的增大,系統對廢水中鉛的去除率也隨之降低,但降低的趨勢相對比較穩定,而且在流量為18 L/d 時,鉛去除率仍可達到82.63%,由此可以說明,金邊麥冬人工濕地對含鉛廢水的鉛的去除率很高,去除效果好。人工濕地主要是通過物理沉淀、過濾、化學沉淀、吸附、微生物的交互作用以及植物的吸收處理廢水中的鉛離子〔4〕。植物的吸收和生物富集作用、填料的吸附沉淀作用及鉛離子與S2-形成硫化物沉淀是人工濕地去除廢水中重金屬鉛的主要方式〔5〕。土壤基質含有大量的土壤礦物質和有機質,其對重金屬鉛具有很強的吸附作用和化學沉淀作用,再加上植物的吸收富集作用,可有效地去除廢水中的Pb2+,從而使金邊麥冬人工濕地對含鉛廢水具有很好的凈化效果。
圖 2 廢水流量對人工濕地系統處理含鉛廢水的影響
在實驗中雖然在廢水流量為3 L/d 時系統對鉛的去除率最高,但在流量為9 L/d 時金邊麥冬人工濕地對鉛的去除率仍可達到91.14%。考慮去除效率和處理量的要求,在實際應用中將流量控制在9 L/d 時較為適宜。
2.2 基質(包括微生物)對人工濕地系統鉛去除率的貢獻
基質(包括微生物)對廢水中鉛去除率見圖 3。
圖 3 基質(包括微生物)對廢水中鉛的去除率
由圖 3可以看出,基質(包括微生物)對流量為5 L/d 的廢水中的鉛去除率最高,為94.49%。除了3 L/d 的流量以外,對照組系統隨著通入廢水流量的增大,對廢水中鉛的去除率也隨之降低,但降低的趨勢相對比較穩定。由于土壤的物理、化學、生物協同作用,廢水中的鉛離子被固定下來〔6〕。土壤中膠粒及有機物含量高,對鉛離子吸附能力強。所以在人工濕地系統中,土壤膠粒對金屬離子的吸附是重金屬鉛由液相變為固相的主要途徑〔7〕。所以在整個人工濕地系統凈化重金屬鉛的過程中,基質(包括微生物)承擔了絕大部分的作用。
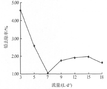
2.3 植物對人工濕地系統鉛去除率的貢獻
人工濕地系統中植物對鉛的去除率見圖 4。
圖 4 人工濕地系統中植物對鉛的去除率
由圖 4 可以看出,植物對廢水中鉛的吸收的貢獻保持在1.08%~4.58%之間,其中以通入流量為3 L/d 的廢水時的去除率最高,達到4.58%。但總體來看,植物對金屬鉛離子的吸收量僅占廢水中金屬鉛去除總量的很少一部分,它的主要作用是提供微生物附著和形成菌落的場所,促進微生物群落的發育,植物的代謝產物和殘體及溶解的有機碳可為濕地中的硫酸鹽還原菌和其他細菌提供食物源。在廢水流量為3~7 L/d 時,由于植物受到環境中連續通入的含鉛廢水的突然變化的影響,導致植物對鉛的吸收率急劇下降,并在流量為7 L/d 時達到最低點。當廢水流量為7~15 L/d 時,植物逐漸適應了連續通入的含鉛廢水的環境,并產生了抗逆性,所以對鉛的吸收率逐漸升高,在流量為15 L/d 時達到此階段的最高點,吸收率為1.97%。當廢水流量為15~18 L/d 時,由于通入含鉛廢水的總量增大,而植物對金屬鉛的吸收總量會有最大臨界點,所以在此階段植物對金屬鉛的去除率會有所下降。具體參見http://www.xhxdt.com更多相關技術文檔。
3 結論
實驗研究了在土壤基質中,在通入不同流量的廢水的情況下,金邊麥冬人工濕地對含鉛廢水的凈化效率。實驗結果表明,在土壤基質中,系統對流量為3 L/d 的廢水中的鉛去除率最高,可達到98.30%,在廢水流量為9 L/d 時系統對鉛的去除率相對最穩定,且去除率可達到91.14%。隨著通入廢水流量的增大,系統對廢水中鉛的去除率也隨之降低,但降低的趨勢相對比較穩定,而且在流量為18 L/d 時去除率仍可達到82.63%。由以上實驗結果可知,金邊麥冬人工濕地系統在以自然土壤為基質時對含鉛廢水的凈化率比較好,而且比較穩定,所以金邊麥冬適于作為人工濕地植物栽培。當以自然土壤為基質,構建金邊麥冬人工濕地系統時,可根據本實驗的植物種植密度來擴大規模,從而得到所需的實際人工濕地凈化體系。


