隨著工業發展含鹽廢水(>1%, NaCl, 質量濃度)排放量越來越大, 含鹽廢水直接排放對環境造成嚴重污染及破壞, 如高鹽廢水滲透入土壤系統中, 會使土壤生物和植物因脫水死亡, 造成土壤生態系統的破壞.廢水的生物處理方法是一種常見的方法, 但高鹽的存在對常規生物處理有明顯的抑制作用, 鹽類物質引起的廢水高滲透壓會降低微生物活性, 抑制微生物的代謝作用, 使酶代謝活性減弱, 以至降低反應動力學系數, 最終使廢水中氮素去除效率下降; 嚴重時將導致細胞脫水, 最后發生質壁分離, 甚至死亡.而厭氧氨氧化(ANAMMOX)作為一種以NH4+為電子供體, NO2-為電子受體, N2與NO3-為產物的生物脫氮工藝, 研究證明厭氧氨氧化菌對高鹽污水有良好的去除效果, 有研究發現厭氧氨氧化是海洋氮循環中生物脫氮的主要貢獻者, 其對海洋生物脫氮的貢獻率約在4%~79%, 海洋型厭氧氨氧化菌的發現為其處理高鹽廢水提供了可行性. Vyrides等采取長期的鹽度馴化的方式使淡水厭氧氨氧化污泥產生耐鹽性, 最終可適應高達30 g·L-1的鹽度環境. Dapena-Mora等將淡水厭氧氨氧化污泥經過馴化后, 可以在30‰海水鹽度下取得較好的脫氮性能, 最大比厭氧氨氧化活性(SAA)出現在鹽度為15 g·L-1時。
厭氧氨氧化菌的馴化和篩選為高鹽廢水的厭氧氨氧化處理提供了可能性, 但也存在有不足之處. Kartal等通過提高配水中NaCl濃度對淡水厭氧氨氧化污泥進行長期馴化, 發現淡水厭氧氨氧化污泥最終在高達75g·L-1的NaCl濃度時達到閾值. Liu等對污泥進行長期馴化后厭氧氨氧化污泥最終適應30g·L-1的鹽濃度, 當鹽度繼續升高后, 污泥受到可逆抑制.在鹽度馴化過程中鹽度變化幅度越大對反應系統造成的負面影響越大, Yang等在馴化過程中將鹽度由14 g·L-1突然上升到20 g·L-1時, ANAMMOX菌活性受到鹽度的完全抑制, Malovanyy等使用快速的鹽度馴化策略也導致了ANAMMOX菌的失活現象.工業廢水中的高鹽度和鹽度的巨大波動成為厭氧氨氧化工程應用的障礙, 應從高鹽廢水厭氧氨氧化微生物脫氮強化措施等方面展開研究, 以期在高鹽脅迫下使厭氧氨氧化能取得良好的脫氮效能.相容性溶質(compatible solutes)是耐鹽微生物在高滲透環境中細胞內積累的小分子物質, 在細胞內高濃度積累不會影響生物大分子如蛋白質和核酸的正常生理功能, 但可以平衡細胞外的滲透壓, 也可以作為蛋白質穩定劑.甜菜堿是一種生物堿, 在維持細胞滲透壓和緩解鹽脅迫方面有明顯作用.甜菜堿的溶解度很高, 不帶靜電荷, 其高濃度對許多酶及其他生物大分子沒有影響, 甚至能解除高濃度鹽對酶活性的毒害.國內外學者針對甜菜堿應用于高鹽廢水處理領域的可行性和效果展開了研究, Yerkes等率先研究了甜菜堿在不同厭氧消化系統中對鈉毒性的拮抗作用, 結果表明濃度低至1mmol·L-1的甜菜堿對減緩鈉鹽毒性仍有效果. Vyrides等的研究認為甜菜堿在高鹽條件下對保護產甲烷菌的功能是最有效的, 甜菜堿對高鹽廢水處理污泥的馴化有積極作用, 甜菜堿的添加策略對其效果有著較重要的影響。
在對外源添加甜菜堿提高微生物對滲透脅迫適應性的研究中發現, 甜菜堿能有效地緩解鹽度抑制作用, 而現在研究大都集中在高鹽度廢水厭氧產甲烷系統中, 對ANAMMOX工藝的研究較少.因此本文將進一步探索利用甜菜堿緩解鹽度對ANAMMOX活性抑制的可行性, 探討外源甜菜堿投加提高高鹽廢水厭氧氨氧化脫氮的機制, 以期為之后相關研究提供基礎, 拓展ANAMMOX工藝處理高鹽廢水的應用范圍。
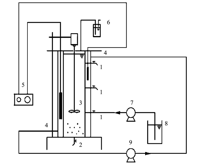
1 材料與方法1.1 試驗裝置與運行條件
試驗采用ASBR厭氧氨氧化反應器, 其結構如圖 1所示.該反應器由有機玻璃制作而成, 有效體積7 L.人工配制的廢水從反應器下部的進水口由恒流泵進入反應器內, 內置電動攪拌器, 整個反應器表面用黑布包裹, 防止光線對厭氧氨氧化活性污泥造成負面影響, 反應器的外層有恒溫水浴, 溫度控制在(35±2)℃。
試驗所選污泥已經本課題組將海水長期馴化, 已適應海水的復雜組成成分, 能在全海水條件下穩定運行, 反應器內有約占反應器有效體積1/3的塊狀海綿載體, 活性污泥顆粒及絮體附著在塊狀海綿上生長, 塊狀海綿呈現黃色, 內部有大量磚紅色顆粒污泥.該污泥形態基本為顆粒狀, 呈現磚紅色。
1.2 試驗廢水
試驗所用廢水由人工配置:海水(5 L)取自黃海(青島麥島周邊)、KH2PO4 0.145 g、CaCl2·2H2O 0.75 g、MgSO4.7H2O 0.3 g、NaHCO3 8.4 g、微量元素Ⅰ和微量元素Ⅱ各6 mL.微量元素Ⅰ:EDTA 5 g·L-1、FeSO4·7H2O 5 g·L-1; 微量元素Ⅱ:EDTA 15 g·L-1、H3BO4 0.011 g·L-1、MnCl2·4H2O 0.99 g·L-1、CuSO4·5H2O 0.25 g·L-1、ZnSO4·7H2O 0.43 g·L-1、NiCl2·6H2O 0.19 g·L-1、CoCl2·6H2O 0.24 g·L-1、(NH4)6MoO2·4H2O 0.16 g·L-1、NaSeO4·10H2O 0.159 6 g·L-1. NH4+由NH4Cl提供, NO2-由NaNO2提供, 確保進水氨氮為110 mg·L-1、亞硝態氮濃度為145.2 mg·L-1, 甜菜堿按需配置。
1.3 試驗方法
本試驗采用ASBR工藝進行, 每天運行2個周期, 運行方式為; ,靜置沉淀30 min后排水, 排水5 L, 留2 L; 廢水的配制完成后利用高純氮氣進行15 min的曝氣, 將水中的分子氧去除后, 再按量投加NH4Cl、NaNO2和甜菜堿, 進水pH通過0.1 mol·L-1的鹽酸控制在7.4±0.1;最后由恒流泵進水, 進水約為3 min; 進水完成后開啟攪拌, 攪5 min后接進水水樣。
參考已有的研究成果, 且防止過量添加引起反應器內菌群結構尤其是反硝化細菌的崛起, 將甜菜堿添加初始量設定為0.1 mmol·L-1, 添加甜菜堿濃度分別為0、0.1、0.2、0.3、0.4、0.5、0.7 mmol·L-1.每個梯度試驗5 d, 甜菜堿過量會使系統中產生反硝化細菌, 進而對反應產生抑制, 因此在反應器產生抑制時應及時停止試驗, 從產生抑制的甜菜堿濃度開始再緩慢降低甜菜堿的濃度, 考察甜菜堿濃度的回落能否使厭氧氨氧化反應效能得到恢復。
1.4 分析方法
指標測定方法為:NH4+-N采用納氏分光光度法; NO2--N采用N-(1-萘基)-乙二胺分光光度法; NO3--N采用麝香草酚分光光度法; pH值:WTW pH/0xi 340i便攜式pH計; 紫外/可見分光光度計:UV-5200;試驗所要測的數據包括氨氮和亞硝態氮的去除率, 硝態氮的生成量。
2 結果與分析2.1 投加甜菜堿對厭氧氨氧化脫氮效能的影響
由圖 2可知, 在10周期左右時間內反應器的處理效能趨于穩定, 在不添加甜菜堿的情況下, NH4+-N和NO2--N的平均去除率分別為51.6%和55.9%, NO3--N平均生成量10.3 mg·L-1, NLR和NRR分別為1.43 kg·(m3·d)-1和0.71 kg·(m3·d)-1.當在反應器中加入0.1 mmol·L-1甜菜堿后, 甜菜堿的加入打破了原有反應器中的平衡, 在剛開始的5個周期內, 出水NH4+-N濃度略有些上升, 但反應器快速的適應了甜菜堿的存在, 在0.1 mmol·L-1濃度梯度末期, NH4+-N去除率為52.9%, NO2--N的去除率則為52.7%, 與0 mmol·L-1時相比, NH4+-N去除率有所上升, 而NO2--N的去除率有所下降, 說明0.1 mmol·L-1甜菜堿未對厭氧氨氧化脫氮產生明顯促進效果, 這可能由于甜菜堿濃度過低未對厭氧氨氧化活性產生刺激.當甜菜堿濃度為0.2 mmol·L-1時, 甜菜堿對厭氧氨氧化脫氮效能產生明顯促進作用, 在這一濃度梯度周期內脫氮效能不斷提升, NH4+-N和NO2--N的去除率由周期前的61.9%和46.6%至周期末分別上升至70.4%和65.7%, 而NRR更由0.71 kg·(m3·d)-1上升至0.92 kg·(m3·d)-1, 這一現象在0.3 mmol·L-1濃度梯度時也有所體現, 這是由于甜菜堿會在厭氧氨氧化菌內產生積累, 說明甜菜堿對厭氧氨氧化的促進有持續性效果.在0.3 mmol·L-1濃度下, NH4+-N去除效能達到最佳, 這時NH4+-N和NO2--N的去除率分別為71.3%和75.7%, NO3--N的平均生成量為8.6 mg·L-1, NRR達到0.97 kg·(m3·d)-1, 與0 mmol·L-1時相比, NH4+-N和NO2--N分別提升了16%和32%, NRR提升了26.8%。
從0.4 mmol·L-1開始, 甜菜堿濃度的提升不再促進NH4+-N的去除效果, 但NO2--N的去除率還能不斷提升, NH4+-N的平均去除率為67%, NO2--N的平均去除率則達到82.1%, NO3--N平均生成量為5.6 mg·L-1, NRR則達到1.04 kg·(m3·d)-1, 與0.3 mmol·L-1相比NH4+-N和NO3--N略有些下降而NO2--N卻有些上升.甜菜堿作為一種小分子相容性有機物可作為有機碳源促進反硝化菌的生長, 甜菜堿的存在使得反應器中處于厭氧氨氧化與反硝化耦合的狀態, 當甜菜堿濃度達到0.4 mmol·L-1時, 已不再促進厭氧氨氧化反應, 反而促進了反硝化反應, 這時反應器中反硝化菌占有優勢.在0.5 mmol·L-1的濃度下, NH4+-N和NO2--N的平均去除率分別為61.4%和79.2%, NRR為1.01 kg·(m3·d)-1, 與前一濃度相比NH4+-N、NO2--N去除率和NRR都產生下降, 且波動幅度比較大, 由此看出, 甜菜堿在濃度為0.5 mmol·L-1下對厭氧氨氧化菌和反硝化菌都產生抑制.為研究甜菜堿對厭氧氨氧化完全產生抑制時的濃度, 進一步提高甜菜堿濃度, 在0.7 mmol·L-1時, NH4+-N和NO2--N平均去除率分別為47%和72.5%, NO3--N幾乎沒有生成, NO2--N在周期內變化不大, 但NH4+-N在這一周期內由周期前的70.8%降低到了35.6%, 對厭氧氨氧化產生明顯抑制.一開始甜菜堿在菌內的積累量并未對反應產生明顯抑制, 但隨著厭氧氨氧化菌吸收的甜菜堿越來越多, 推測菌體內積累的甜菜堿量超過厭氧氨氧化菌的耐受極限, 進而使得NH4+-N去除率下降, 而反應器中反硝化菌耐受甜菜堿的極限要比厭氧氨氧化菌要高, 因此NO2--N的去除率并未有明顯下降.在甜菜堿濃度達到0.8 mmol·L-1時, NH4+-N去除率進一步下降, 只有20.1%, 且NO2--N也有下降, 為58.6%, 厭氧氨氧化菌與反硝化菌同時產生抑制, 為了防止過高甜菜堿濃度進一步惡化反應器脫氮效能, 立即停止了試驗.綜上所述, 甜菜堿濃度達到0.8 mmol·L-1時為極限值。
在厭氧氨氧化過程中, ASBR厭氧氨氧化反應器基本遵循厭氧氨氧化反應原理, 其計量比與理論值1:1.32:0.26相接近.而在本試驗中, 由圖 2(c)可知, 隨著甜菜堿濃度的提升, NO2--N/NH4+-N比值變化幅度較大, 在0 mmol·L-1時, NO2--N/NH4+-N平均比值為1.06, 而NO3--N/NH4+-N平均比值為0.17.在0.1 mmol·L-1時, NO2--N/NH4+-N平均比值為1.28, 而NO3--N/NH4+-N平均比值為0.16, 在這一濃度梯度內, NO2--N去除量顯著增加使得NO2--N/NH4+-N比值上升.此后在0.2 mmol·L-1和0.3 mmol·L-1梯度內, NO2--N/NH4+-N比值在1.32上下波動, 且在0.4 mmol·L-1時, NO2--N/NH4+-N比值高于理論值1.32, 甜菜堿對NO2--N的促進效果更好, 使得NH4+-N和NO2-N比值偏高.此后在0.5 mmol·L-1和0.7 mmol·L-1時, NO2--N/NH4+-N比值波動更大, 使得NO2--N和NH4+-N去除效率無法保持穩定, 在試驗最后, NO2--N/NH4+-N比值已嚴重偏離理論值, 甜菜堿濃度已對厭氧氨氧化反應產生不利影響.而NO3--N/NH4+-N比值在未添加甜菜堿前已偏離理論值, 期間雖有些上升, 但總體呈下降趨勢, 在高鹽濃度下, 添加過量的甜菜堿會引起反應器內茵群結構尤其是反硝化細菌的崛起, 甜菜堿作為小分子有機物可作為反硝化菌的碳源, 促進反應器內反硝化菌的生長, 使得NO3--N生成量不斷降低, 在試驗末期幾乎沒有生成.由于反應器中厭氧氨氧化與反硝化的同時存在, 試驗過程中NO3--N/NH4+-N比值一直低于理論值。
綜上所述, 外源甜菜堿對厭氧氨氧化脫氮效能有明顯的促進作用, 隨著甜菜堿濃度的升高, 甜菜堿濃度在0.1~0.4 mmol·L-1范圍內, 出水NH4+-N和NO2--N濃度隨之下降, 去除率顯著上升, 同時促進了反硝化菌的生長.接著隨著甜菜堿濃度的提升, 在0.4~0.5 mmol·L-1濃度內, 出水NH4+-N濃度不再降低而有些上升, 而出水NO2--N濃度則繼續下降.在甜菜堿濃度大于0.5 mmol·L-1后, 出水NO2--N濃度也不再下降開始緩慢上升, 最終在0.8 mmol·L-1時, 出水NH4+-N和NO2--N濃度高于未添加甜菜堿時, 此時甜菜堿已對反應器脫氮效能產生不利影響! 2.2 周期內甜菜堿濃度變化對厭氧氨氧化脫氮性能的影響
選取8個甜菜堿濃度梯度, 考察了一個周期內NH4+-N、NO2--N和NO3-N的濃度變化.由圖 3可知, 隨著甜菜堿濃度的提升, 出水NH4+-N和NO2--N的濃度逐漸降低, 基質濃度(NH4+-N和NO2--N濃度之和)下降趨勢明顯, 基質去除速率也隨之升高, 在0.1 mmol·L-1濃度下, 反應器脫氮效能幾乎不受甜菜堿影響, 基質反應速率前1 h內低于未添加甜菜堿時, 但隨后開始波動且總體要高于未添加甜菜堿時, 說明甜菜堿在反應器中會有一段適應過程; 而在0.2 mmol·L-1時, 出水NH4+-N和NO2--N濃度已有些降低, 甜菜堿對反應器脫氮效能產生影響, 且此時出水NO3--N達到最大值為21.19 mg·L-1, 基質去除速率總體高于前一梯度, 說明在此濃度前甜菜堿主要促進的是反應器中的厭氧氨氧化反應; 在0.3 mmol·L-1時去除效果達到最佳, 4 h內出水NH4+-N和NO2--N濃度為21.75 mg·L-1和17.21 mg·L-1, 而出水NO3--N濃度20.37 mg·L-1, 基質去除速率總體要高于前幾個濃度梯度, 但卻低于0.4 mmol·L-1和0.5 mmol·L-1, 這可能是甜菜堿進一步促進了反硝化作用.雖然在0.4和0.5 mmol·L-1時對反硝化反應還有促進作用, 0.5 mmol·L-1時出水NO2--N更達到了最低值為11.78 mg·L-1, 但在這兩個梯度下出水NH4+-N和NO3--N都有些下降, 0.5 mmol·L-1時出水NH4+-N為33.04 mg·L-1, 出水NO3--N為12.84 mg·L-1, 此時反應器中厭氧氨氧化反應產生抑制.此后在0.7 mmol·L-1時反硝化也產生抑制, 出水NO2--N隨之降低為41.99 mg·L-1, 出水NH4+-N為57.31 mg·L-1, 出水NO3--N為5.86 mg·L-1, 基質去除速率也有些下降, 但仍表現為較強的去除效果.最終在0.8 mmol·L-1時基質去除速率已低于0 mmol·L-1時的基質去除速率, 出水NH4+-N為65.22 mg·L-1, 出水NO2--N為54.92 mg·L-1, 出水NO3--N為5.31 mg·L-1, 也低于未添加甜菜堿時的去除效能, 此時甜菜堿濃度對反應器產生完全抑制。
2.3 甜菜堿濃度降低對厭氧氨氧化脫氮性能的影響
從產生抑制的甜菜堿濃度0.8 mmol·L-1開始, 降低甜菜堿的濃度, 考察甜菜堿濃度的回落能否使厭氧氨氧化反應效能得到恢復.由于甜菜堿濃度為0.8 mmol·L-1時對反應抑制較大, 為了防止甜菜堿在厭氧氨氧化菌內產生積累, 進一步惡化厭氧氨氧化菌活性, 將高濃度時的運行周期數縮短至5次.由圖 4可知, 在濃度為0.8、0.7和0.5 mmol·L-1時, 出水NH4+-N濃度波動很大, 但總體呈下降趨勢, 出水NO2--N濃度則呈上升趨勢, NO2--N/NH4+-N和NO3--N/NH4+-N嚴重偏離理論值, NRR由周期開始前的0.52 kg·(m3·d)-1降低到0.42 kg·(m3·d)-1.這是由于厭氧氨氧化菌的活性還未得到恢復, 且吸收了廢水中新添加的甜菜堿而進一步使厭氧氨氧化菌活性惡化.但從0.3 mmol·L-1時開始, NH4+-N和NO2--N去除率開始上升, NO3--N生成量也有所升高, NO2--N/NH4+-N接近1.32.延長運行周期數, 可以看到出水NH4+-N和NO2--N濃度明顯下降, NH4+-N去除率由22.8%上升至49.6%, NO2--N去除率由36.5%上升至46.6%, NRR由0.39 kg·(m3·d)-1上升至0.62 kg·(m3·d)-1.在0.2 mmol·L-1和0.1 mmol·L-1時, 出水NH4+-N和NO2--N濃度變化不大, 厭氧氨氧化菌活性基本恢復, 此時NH4+-N平均去除率為50.6%, NO2--N平均去除率為63.7%, NRR為0.65 kg·(m3·d)-1, 已恢復到試驗前的脫氮效能.這說明甜菜堿對厭氧氨氧化反應的抑制作用是短期效果, 甜菜堿濃度的回落能使厭氧氨氧化反應效能得到恢復。
3 討論
鹽脅迫下, 微生物將吸收大量鹽離子貯存于細胞體內從而降低了細胞質中的鹽濃度, 而甜菜堿含量在一定范圍內也會隨鹽脅迫程度的增加而增加, 在細胞中逐漸積累達到很高水平, 從而調節滲透壓, 維持細胞的水分平衡.微生物細胞內積累相容溶質, 使外部高滲透壓在細胞質中保持平衡, 通常中度嗜鹽菌耐鹽機制屬于這種策略, 當環境中的滲透壓升高時中度嗜鹽菌體內無機鹽離子濃度也會相應升高, 但是其作用有限, 不足以抗衡外界高的滲透壓, 此時大多數中度嗜鹽菌會通過自身合成甜菜堿及其它相容性有機物來應對鹽脅迫作用。吳紅珍等的研究結果顯示嗜鹽四聯球菌以甘氨酸甜菜堿作為主要的相容性溶質, 在一定鹽濃度范圍內, 甘氨酸甜菜堿和可溶性蛋白會隨鹽濃度的增加而升高, 然而超過一定鹽濃度范圍后, 表達量將會減少, 細菌能夠根據外部環境做出適當的調整以維持細胞的正常生理功能。
中度嗜鹽菌可通過快速合成和釋放甜菜堿來抵抗鹽脅迫, 甜菜堿作為中度嗜鹽菌中一類很重要的相容性溶質, 通常大多數中度嗜鹽菌都以膽堿為前體物質, 經過兩步氧化反應生成甘甜菜堿, 這兩步氧化反應需要兩個酶的催化:第一個是膽堿單加氧酶, 它催化膽堿氧化成甜菜堿醛; 第二個是甜菜堿醛脫氫酶, 它催化甜菜堿醛形成甜菜堿。但是還沒有報道提及中度嗜鹽菌能從簡單的碳源(如葡萄糖)合成甘氨酸, 中度嗜鹽菌中甘氨酸甜菜堿的合成方式都是采用酶促膽堿反應或者直接從環境中攝入在體內進行積累, 在適應環境高滲透壓中, 嗜鹽菌可通過胞外吸收轉運相容物質以抵抗胞外高滲透壓以節省從頭合成所需的能量, 其具有特殊的相溶性物質吸收轉運系統。因此有些科學家通過外源添加甘氨酸甜菜堿以提高細菌或植物的耐鹽能力。
采用ASBR厭氧氨氧化反應器, 通過逐步提高所含海水比例, 經過一定時間的馴化后, 厭氧氨氧化菌可以在各個海水比例下保持活性并維持較高的脫氮性能厭氧氨氧化菌。鹽脅迫對厭氧氨氧化菌的生長均有不同程度的抑制作用, 但沒有報道提及厭氧氨氧化菌可自身合成甜菜堿, 因此添加外源甜菜堿可作為一種緩解鹽脅迫作用的方法.李智行等利用人工配制的高鹽廢水研究了甜菜堿對厭氧氨氧化過程的影響, 結果認為甜菜堿對厭氧氨氧化過程有促進作用, 并能起到緩解低溫抑制作用的功能.本試驗結果表明, 添加甜菜堿緩解了鹽脅迫對厭氧氨氧化菌生長的抑制, 在本試驗開始時厭氧氨氧化效果較好, 在4 h內, 氨氮去除率51.6%, 亞硝態氮55.9%, NLR為1.43 kg·(m3·d)-1, NRR為0.71 kg·(m3·d)-1, 當甜菜堿濃度為0.1~0.4 mmol·L-1時, 均能有效增加鹽脅迫下厭氧氨氧化菌的脫氮效能.對于不能合成相容性物質的微生物來說, 其吸收系統至關重要,因此, 在利用甜菜堿的厭氧氨氧化菌體內應存在一些與相溶性物質高度親和的轉運系統, 以便快速吸收和轉化甜菜堿.另外在這一濃度變化內甜菜堿作為有機物也促進了反應器中反硝化菌的生長, 這是由于甜菜堿不但可以作為相容性溶質, 還能作為碳源和能源物質.甜菜堿濃度為0.4~0.5 mmol·L-1時, NH4+-N去除率下降, 而NO2--N去除率還有上升, 此時甜菜堿濃度對厭氧氨氧化菌產生抑制但還是促進反硝化菌的生長.在這一階段的濃度內, 甜菜堿緩解微生物的耐鹽能力存在差異, 這可能是由于不同的微生物積累或轉運的相容性溶質不同, 抗滲能力也不同, 厭氧氨氧化菌體內的甜菜堿已經積累到極限, 甜菜堿作為滲透物質不能進一步發揮保持滲透壓平衡的作用, 僅僅作為碳源和能量來源來發揮作用.甜菜堿濃度大于0.5 mmol·L-1后, 添加甜菜堿已無法緩解鹽脅迫對反應器脫氮效能的抑制, 且過量的甜菜堿會對反應器產生不利影響, 使得反應器脫氮效能持續降低, 這是因為隨著試驗的進行高鹽環境漸漸抑制分解甜菜堿代謝酶, 從而導致該物質不能作為碳源和能源, 反硝化菌也受到抑制, 最終在甜菜堿濃度0.8 mmol·L-1時反應器脫氮效能低于未添加甜菜堿時的脫氮效能, 已對反應器產生完全抑制.而在最后的恢復試驗中, 隨著甜菜堿濃度的降低反應器脫氮效能得到快速恢復, 當下降至0.2 mmol·L-1時反應器已基本穩定運行, 這說明甜菜堿對反應器的損害是可恢復的。
4 結論
(1) 在穩定運行的厭氧氨氧化處理高鹽廢水系統中, 投加甜菜堿對系統脫氮效能有明顯的改善作用, 甜菜堿濃度為0.1~0.4 mmol·L-1時, 添加甜菜堿緩解了鹽脅迫對厭氧氨氧化菌生長的抑制; 甜菜堿濃度為0.4~0.5 mmol·L-1時, 此時甜菜堿濃度對厭氧氨氧化菌產生抑制但還是促進反硝化菌的生長, 還對反應表現為促進作用.甜菜堿濃度大于0.5 mmol·L-1后, 添加甜菜堿已無法緩解鹽脅迫對反應器脫氮效能的抑制, 最終在甜菜堿濃度0.8 mmol·L-1時反應器脫氮效能低于未添加甜菜堿時的脫氮效能, 已對反應器產生完全抑制。
(2) 本試驗條件下, 甜菜堿的添加濃度為0.3 mmol·L-1濃度時, 反應去除效能達到最佳, 這時NH4+-N和NO2--N的去除率分別為71.3%和75.7%, NO3--N的平均生成量為8.6 mg·L-1, NRR達到0.97 kg·(m3·d)-1, 與0 mmol·L-1時相比, NH4+-N和NO2--N分別提升了16%和32%, NRR提升了26.8%。
(3) 本試驗條件下, 在最后的恢復試驗中, 隨著甜菜堿濃度的降低反應器脫氮效能得到快速恢復, 經過25周期的運行, 在甜菜堿濃度降至0.2 mmol·L-1時反應器脫氮效能得到恢復, 這說明甜菜堿對反應器的影響是可逆的。(來源:環境科學 作者:于德爽)






