中藥材初加工是在藥材采收后,為防止霉爛變質,影響藥材質量和療效,而進行的初步加工,是后期炮制、制劑等環節的前處理階段。中藥材初加工一般包括藥材清洗、蒸煮、干燥等生產工序,同時各工序會排放相應的生產廢水,廢水中含有大量的泥砂,植物根莖表皮及懸浮物,藥材中水溶性浸出物等,屬于高濃度有機廢水,對其進行達標處理難度較大,是目前中藥廢水處理領域中亟需解決的難題之一。
目前,大多數中藥廢水處理工程是將中藥材初加工廢水與后續深加工(提取、濃縮、制劑等)廢水混合后進行處理,針對中藥材產地集中采收后的初加工廢水處理研究鮮有報道。白芍是我國常用大宗藥材,近年來市場需求量大,種植面積不斷擴大,藥材集中采收后的初加工規模亦有所提高,產生的初加工廢水也與日俱增,可見白芍初加工廢水對環境的污染不容忽視。因此,以亳州某產業園內白芍初加工廢水處理工程為例,從處理工藝、運行效果方面進行詳細介紹和分析,實踐證明該工程在中藥材初加工廢水處理中切實可行,具有良好的應用價值和社會效益。
1、工程概況
亳州某產業園內的白芍初加工包括清洗、蒸煮和脫皮工序,清洗廢水基本未受到有機物污染,主要含有大量的泥砂、植物根莖表皮及根須、懸浮物等;白芍蒸煮過程是連續的,目的是幫助白芍進行脫皮,其與脫皮廢水混合排放。蒸煮脫皮廢水含有白芍皮、白芍肉質顆粒、白芍浸出物等。廢水水質總體濁度大、呈淡紅色,水質水量波動大;含有大量的有機物和少量無機鹽類;BOD5/CODcr值較高,具有較強的可生化性。
該廢水處理工程設計進、出水水質見表1,對白芍初加工車間生產廢水進行分流處理,大部分清洗廢水排放至清洗廢水站;蒸煮和脫皮廢水混合后依次流經蒸煮脫皮廢水預處理、蒸煮脫皮廢水站。清洗廢水站日處理總量400m3/d,處理后繼續回用于白芍清洗工序;蒸煮脫皮廢水預處理階段日處理總量1600m3/d,經預處理后通過廠區污水管網排放至蒸煮脫皮廢水站,該股廢水要求出水水質達到《中藥類制藥工業水污染排放標準》(GB21906-2008)中污染物最高允許排放濃度的一級標準后外排。

2、工藝設計
2.1 工藝流程
2.1.1 清洗廢水處理工藝
白芍清洗廢水處理采用“旋流沉砂器+平流沉淀”工藝,見圖1。車間排出的清洗廢水分別經車間收集池收集后,通過提升泵提升進入清洗廢水站旋流沉砂器,去除水中泥沙等雜質;旋流沉砂器中泥砂泵入砂水分離器進行砂水分離,旋流沉砂器出水進入平流沉淀池。

平流沉淀池去除水中的SS等物質后,自流進入回用水池,污泥則通過提升泵提升至廢水站污泥濃縮池。回用水池內廢水通過回用水泵提升至車間處,回用水池內廢水亦可通過廠區污水管網溢流至廢水站。
2.1.2 蒸煮脫皮廢水預處理工藝
由于白芍廢水蒸煮脫皮過程中,白芍皮屑及肉質顆粒的存在,實際運行中,隨著處理工序的推進,污水中的COD處理效果不理想,甚至逐漸升高。針對這一現象,本項目采取了針對性預處理措施。
預處理采用“滾筒格柵+平流沉淀+混凝沉淀”工藝,見圖2。車間排出的白芍蒸煮脫皮廢水經車間收集池分別收集后,通過水泵分別提升至車間處滾筒格柵,去除廢水中的根莖、根須等雜物,然后自流進入集水池;集水池中廢水通過提升泵提升至蒸煮預處理處滾筒格柵,進一步去水中的雜物,然后自流進入平流沉淀池。

平流沉淀池去除水中的SS等物質后,自流進入混凝反應池。廢水經過混凝反應后自流進入混凝沉淀池,通過混凝沉淀池的沉淀作用實現泥水分離,上清液通過廠區污水管網自流進入廢水站,污泥則通過提排泥泵輸送升至蒸煮脫皮廢水站污泥濃縮池。
2.1.3 蒸煮脫皮廢水處理工藝
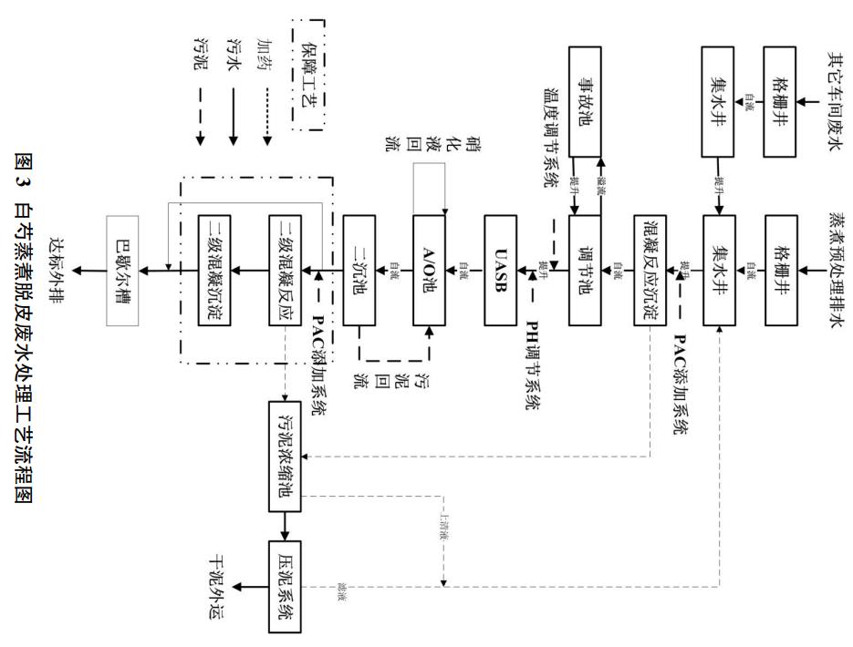
白芍蒸煮脫皮廢水經預處理后,進入后續綜合處理階段,采用“UASB+A/O+混凝沉淀(保障工藝)”工藝,見圖3。蒸煮脫皮預處理廢水通過廢水管網流入蒸煮脫皮廢水處理階段的格柵井,通過格柵井機械格柵攔截廢水中的根莖、根須等雜物,然后自流進入集水井;集水井廢水一級提升進入一級混凝沉淀池。其它車間廢水通過園區廢水管網自流進入其它車間格柵井,通過機械格柵攔截廢水中的根莖、根須等雜物,然后自流進入其它車間集水井,其它車間集水井廢水通過提升進入白芍廢水集水井。

經過一級混凝沉淀池絕大部分懸浮物得以去除,然后出水自流入調節池,調節池上部溢流至事故池。調節池設有機械攪拌系統,對廢水的水質水量起調節作用。
廢水經調節池調節后通過二級提升泵提升至厭氧UASB反應器。厭氧UASB反應器是廢水處理的核心反應設施,底部設有布水裝置,中上部設三相分離器,以保證污泥、廢水、沼氣有良好的分離效果。經厭氧UASB反應器的處理可降解絕大部分BOD和COD。厭氧UASB反應器產生的沼氣經水封箱后外排。
厭氧UASB反應器出水自流進入A/O池。經過A/O池通過硝化反硝化的作用,廢水中的絕大部分BOD和COD、氨氮在好氧菌的作用下得以去除。
A/O池出水自流入二沉池,經過二沉池污泥沉降作用,泥水分離,達標廢水直接外排。
不達標廢水則進入作為保障性工藝的二級混凝沉淀池進行深度處理,進一步去除COD、SS等,實現達標外排。
混凝沉淀池、好氧系統等系統產生的剩余污泥排入污泥濃縮池,濃縮池污泥經疊螺機脫水后外運。濃縮池上清液、污泥濾液自流進入白芍車間集水井重新進行處理。
2.2 工藝設施
主要設施參數見表2。

3、運行效果
清洗廢水站處理后的廢水可回用至清洗車間再利用。蒸煮脫皮廢水經滾筒格柵去除廢水中的白芍皮屑及顆粒物后,后續處理單元運行穩定,出水指標滿足《中藥類制藥工業水污染排放標準》(GB21906-2008)中污染物最高允許排放濃度的一級標準,解決了COD升高,處理效果不理想的問題,各處理單元進出水水質見表3。

污水站運行費用包括廢水站總費用為電費、蒸汽費用、人工費用、藥劑費維修費,其中電費982.46元/天、蒸汽費6528元/天,人工費333.33元/天,藥劑費2270元/天,維修費54.8元/天,費用合計10168.69元/天,噸水運行成本為5.08元/噸。
4、結論
本項目將白芍初加工生產廢水進行分類處理,白芍清洗廢水采用“旋流沉砂器+平流沉淀池”工藝,處理后作為清洗水被循環利用,緩解用水緊張,減輕后續生化處理負荷;白芍蒸煮脫皮廢水采用預處理和“UASB+A/O+混凝沉淀(保障工藝)”工藝,處理后出水水質達到《中藥類制藥工業水污染排放標準》(GB21906-2008)中污染物最高允許排放濃度的一級排放標準。整個工程保證了處理出水的穩定達標,并且能夠節約資源,降低運行成本,具有良好的環境、社會和經濟效益。(來源:華夏碧水環保科技有限公司)



