申請日2015.10.16
公開(公告)日2016.02.24
IPC分類號C02F3/30; C02F101/16; C02F101/10
摘要
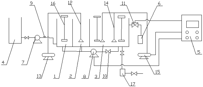
一種高效生物膜法處理高含鹽廢水試驗系統。隨著我國眾工業的迅速發展,排入環境中的高含鹽廢水的量也越來越多,這類廢水的鹽度較高,其中的無機鹽會對普通活性污泥產生嚴重的抑制作用。一種高效生物膜法處理高含鹽廢水試驗系統,其組成包括:進水箱(4),進水箱通過管路與進水泵(7)連接,進水泵通過管路與缺氧池(1)連接,缺氧池池壁與DAT池(2)池壁連接,?DAT池池壁與IAT池(3)池壁連接,缺氧池、DAT池和IAT池分別與污泥回流泵(8)連接,污泥回流泵與PLC控制箱(5)連接,IAT池通過管路分別與排水池(6)、污泥池(17)連接。本實用新型應用于處理高含鹽廢水裝置。
權利要求書
1.一種高效生物膜法處理高含鹽廢水試驗系統,其組成包括:進水箱,其特征是:所述的進水箱通過管路與進水泵連接,所述的進水泵通過管路與缺氧池連接,所述的缺氧池池壁與DAT池池壁連接,所述的DAT池池壁與IAT池池壁連接,所述的缺氧池、所述的DAT池和所述的IAT池分別與污泥回流泵連接,所述的污泥回流泵與PLC控制箱連接,所述的IAT池通過管路分別與排水池、污泥池連接。
2.根據權利要求1所述的高效生物膜法處理高含鹽廢水試驗系統,其特征是:所述的進水泵與所述的缺氧池管路之間具有進水閥,所述的污泥回流泵與所述的IAT池管路之間具有污泥回流閥,所述的排水池與所述的IAT管路之間具有排水電磁閥。
3.根據權利要求2所述的高效生物膜法處理高含鹽廢水試驗系統,其特征是:所述的DAT池內具有砂頭曝氣裝置一,所述的砂頭曝氣裝置一與空壓機一連接,所述的IAT池內具有砂頭曝氣裝置二,所述的砂頭曝氣裝置二與空壓機二連接。
4.根據權利要求3所述的高效生物膜法處理高含鹽廢水試驗系統,其特征是:所述的排水電磁閥、所述的空壓機二分別與所述的PLC控制箱連接。
5.根據權利要求3所述的高效生物膜法處理高含鹽廢水試驗系統,其特征是:所述的缺氧池、所述的IAT池內部分別具有攪拌器。
說明書
高效生物膜法處理高含鹽廢水試驗系統
技術領域:
本實用新型涉及一種高效生物膜法處理高含鹽廢水試驗系統。
背景技術:
隨著我國眾工業的迅速發展,排入環境中的高含鹽廢水的量也越來越多。這類廢水的鹽度較高,其中的無機鹽會對普通活性污泥產生嚴重的抑制作用。采用活性污泥對高含鹽水進行處理,結果出現了明顯的鹽中毒現象,曝氣24h后COD去除率僅為45.8%。高濃度的鹽給生物處理帶來了一定的難度。在國內,采用電解、膜分離、焚燒等物化法處理的較多,但其費用較高。由于這類廢水無回收價值,這些方法無法在實際應用中推廣。
實用新型內容:
本實用新型的目的是提供一種高效生物膜法處理高含鹽廢水試驗系統。
上述的目的通過以下的技術方案實現:
一種高效生物膜法處理高含鹽廢水試驗系統,其組成包括:進水箱,所述的進水箱通過管路與進水泵連接,所述的進水泵通過管路與缺氧池連接,所述的缺氧池池壁與DAT池池壁連接,所述的DAT池池壁與IAT池池壁連接,所述的缺氧池、所述的DAT池和所述的IAT池分別與污泥回流泵連接,所述的污泥回流泵與PLC控制箱連接,所述的IAT池通過管路分別與排水池、污泥池連接。
所述的高效生物膜法處理高含鹽廢水試驗系統,所述的進水泵與所述的缺氧池管路之間具有進水閥,所述的污泥回流泵與所述的IAT池管路之間具有污泥回流閥,所述的排水池與所述的IAT管路之間具有排水電磁閥。
所述的高效生物膜法處理高含鹽廢水試驗系統,所述的DAT池內具有砂頭曝氣裝置一,所述的砂頭曝氣裝置一與空壓機一連接,所述的IAT池內具有砂頭曝氣裝置二,所述的砂頭曝氣裝置二與空壓機二連接。
所述的高效生物膜法處理高含鹽廢水試驗系統,所述的排水電磁閥、所述的空壓機二分別與所述的PLC控制箱連接。
所述的高效生物膜法處理高含鹽廢水試驗系統,所述的缺氧池、所述的IAT池內部分別具有攪拌器。
本實用新型的有益效果:
1.本實用新型既具有高效工藝的優點,即連續性、高效性,又具有生物膜法的優點,即對水質水量變動有較強的適應性和較:趕的耐沖擊負荷能力。
本實用新型向生化反應池中投加多孔立體有機填料。讓微生物生長在填料表面,這大大增加了生物量,也為繁殖時間長的硝化菌提供了生長環境,這是傳統活性污泥法所能做到的。
本實用新型采用比表面積大、過水通氣性能良好、傳質效率高的多孔懸浮有機填料,孔隙率較大,容易留住活動于水中的微生物,增加丁水、氣、微生物的接觸機會;該填料具有耐腐蝕性,能應用于高含鹽廢水的處理中;該填料在不曝氣時浮于水面,曝氣時均勻流化于全池,并能提高氧的利用率,從而提高了傳質效果,減小了水流阻力,相對地降低了能耗。
本實用新型具有缺氧、好氧的環境,能同步脫氮除磷。







