公布日:2023.11.03
申請日:2023.09.20
分類號:C02F7/00(2006.01)I;C02F3/12(2023.01)I;C02F101/30(2006.01)N
摘要
本發明公開了一種有機廢水處理裝置及方法,屬于廢水處理技術領域。一種有機廢水處理裝置,包括曝氣池,還包括:攪拌機構,攪拌機構設置在曝氣池內,用于破碎曝氣池內的空氣氣泡;撥水機構,撥水機構設置在曝氣池的上側,用于撥動曝氣池內廢水表層的水體;以及接水池,接水池固設在曝氣池的一側,用于接取撥水機構撥動的曝氣池表層水體,接水池內設置有與攪拌機構相連且用于將接水池內的水體向曝氣池內輸送的排水組件,排水組件外側連接有曝氣組件;本發明通過控制攪拌機構運行,使攪拌機構帶動排水組件和曝氣組件工作,使污水與空氣充分接觸,提高污水曝氣效果,有效提升廢水處理效果。

權利要求書
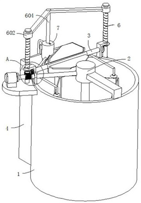
1.一種有機廢水處理裝置,包括曝氣池(1),其特征在于,還包括:攪拌機構(2),所述攪拌機構(2)設置在曝氣池(1)內,用于破碎曝氣池(1)內的空氣氣泡;撥水機構(3),所述撥水機構(3)設置在曝氣池(1)的上側,用于撥動曝氣池(1)內廢水表層的水體;以及接水池(4),所述接水池(4)固設在曝氣池(1)的一側,用于接取撥水機構(3)撥動的曝氣池(1)表層水體,所述接水池(4)內設置有與攪拌機構(2)相連且用于將接水池(4)內的水體向曝氣池(1)內輸送的排水組件,所述排水組件外側連接有曝氣組件;所述攪拌機構(2)包括固設在曝氣池(1)外側的安裝板(201)、設置在安裝板(201)上的驅動電機(202)、與驅動電機(202)輸出端相連的驅動軸(203)、設置在驅動軸(203)上的主動錐齒輪(204)、固設在曝氣池(1)上的支撐座(205)、轉動連接在支撐座(205)上的攪拌軸(206)、固設在攪拌軸(206)上且與主動錐齒輪(204)嚙合的從動錐齒輪(2061)以及均勻設置在攪拌軸(206)底部的若干L形攪拌架(207);所述支撐座(205)的底部轉動連接有套設在攪拌軸(206)外側的套管(5),所述套管(5)與支撐座(205)之間設置有卷簧(2051),所述套管(5)上固設有與主動錐齒輪(204)嚙合的不完全錐齒輪(501),所述套管(5)上開設有若干環形槽(502),每個所述環形槽(502)內纏繞連接有拉繩(5021),所述拉繩(5021)遠離環形槽(502)的一端連接有彈性網(503),所述彈性網(503)的兩端分別與相鄰兩個L形攪拌架(207)相連;所述撥水機構(3)包括固設在曝氣池(1)上的L形板(301)、轉動連接在L形板(301)上的撥動軸(302)以及呈圓周均勻設置在撥動軸(302)上的撥水板(303),所述撥水板(303)上開設有導水槽(3031),所述曝氣池(1)的頂部開設有與撥水板(303)相配合的開口(101);所述排水組件包括轉動連接在L形板(301)上的往復絲桿(6)、固設在往復絲桿(6)上的蝸輪(601)、固設在驅動軸(203)上且與蝸輪(601)嚙合的蝸桿(2031)、與往復絲桿(6)螺紋連接的套筒(602)、與套筒(602)固連的連接板(603)、與連接板(603)遠離套筒(602)一端固連的移動桿(604)以及設置在移動桿(604)底部的排水板(605),所述排水板(605)滑動連接在接水池(4)內;所述接水池(4)內壁開設有連通槽(401),所述排水板(605)與連通槽(401)內壁之間存在空隙,所述接水池(4)與曝氣池(1)之間設置有單向閥(402)。
2.根據權利要求1所述的一種有機廢水處理裝置,其特征在于,所述往復絲桿(6)的光滑段連接有第二錐齒輪(606),所述撥動軸(302)上固設有與第二錐齒輪(606)嚙合的第一錐齒輪(3021)。
3.根據權利要求2所述的一種有機廢水處理裝置,其特征在于,所述曝氣組件包括固設在接水池(4)上的連接座(403)、與連接座(403)固連的工作管(7)、與移動桿(604)相連且滑動連接在工作管(7)內的活塞板(701)、固設在工作管(7)頂部的進氣閥(702)、與工作管(7)相連的排氣管(703)、與排氣管(703)遠離工作管(7)一端相連的曝氣板(704)以及設置在曝氣板(704)上的若干曝氣頭(705),所述排氣管(703)內設置有排氣閥,所述排氣管(703)遠離工作管(7)的一端依次穿過接水池(4)和曝氣池(1)并與曝氣板(704)相連。
4.根據權利要求3所述的一種有機廢水處理裝置,其特征在于,所述活塞板(701)將工作管(7)分隔為上腔體和下腔體,所述進氣閥(702)和排氣管(703)均與上腔體相連,所述下腔體外接有進水管(706),所述進水管(706)內設置有進液閥,所述進水管(706)遠離工作管(7)的一端置于曝氣池(1)的側邊頂部,所述下腔體的底部還設置有置于接水池(4)上側的出水閥(707)。
5.一種有機廢水處理裝置的處理方法,包括權利要求4所述的一種有機廢水處理裝置,其特征在于,還包括以下步驟:S1:有機廢水排放至曝氣池(1)后,控制攪拌機構(2)運行,使攪拌機構(2)帶動排水組件和曝氣組件工作,通過控制驅動電機(202)運行,使驅動電機(202)的輸出端帶動驅動軸(203)轉動,驅動軸(203)上的主動錐齒輪(204)與攪拌軸(206)上的從動錐齒輪(2061)嚙合,使從動錐齒輪(2061)帶動攪拌軸(206)以及攪拌軸(206)外側的L形攪拌架(207)在曝氣池(1)內做攪拌動作;S2:驅動軸(203)轉動時外側的蝸桿(2031)與往復絲桿(6)上的蝸輪(601)嚙合傳動,往復絲桿(6)轉動并通過第二錐齒輪(606)與第一錐齒輪(3021)嚙合,使第一錐齒輪(3021)帶動撥動軸(302)旋轉,撥動軸(302)轉動時帶動撥水板(303)在曝氣池(1)水面上轉動,使撥水板(303)對曝氣池(1)表層的水體進行撥動,撥動的水體從開口(101)處進入接水池(4);S3:往復絲桿(6)的持續轉動使得其外側套筒(602)上下往復移動,套筒(602)通過連接板(603)帶動移動桿(604)和移動桿(604)底部的排水板(605)上下往復移動,排水板(605)上移時,從開口(101)處進入接水池(4)中的廢水通過連通槽(401)進入接水池(4)的底側,排水板(605)下移時,排水板(605)對接水池(4)底側的廢水擠壓,使接水池(4)內的廢水通過單向閥(402)排向曝氣池(1)的底部,能夠對位于曝氣池(1)底部沉積的活性污泥進行攪動,同時實現曝氣池(1)內廢水的上下轉換,使曝氣池(1)內的廢水依次與空氣接觸進氣曝氣;S4:移動桿(604)上下往復移動過程中帶動活塞板(701)在工作管(7)內移動,活塞板(701)在工作管(7)內下移時,工作管(7)通過進氣閥(702)抽取外側的空氣,活塞板(701)在工作管(7)內上移時可對工作管(7)此前抽取的空氣通過排氣管(703)排向曝氣板(704),使曝氣板(704)排出空氣氣泡在曝氣池(1)內,對曝氣池(1)中的污水進行曝氣,且L形攪拌架(207)在曝氣池(1)內轉動,可對廢水進行攪拌以及對廢水中的空氣氣泡進行破碎,提高廢水與氣泡的接觸面積,使廢水和氣泡混合均勻。
發明內容
本發明的目的是為了解決現有技術中存在的問題,而提出的一種有機廢水處理裝置及方法。
為了實現上述目的,本發明采用了如下技術方案:
一種有機廢水處理裝置,包括曝氣池,還包括:
攪拌機構,所述攪拌機構設置在曝氣池內,用于破碎曝氣池內的空氣氣泡;
撥水機構,所述撥水機構設置在曝氣池的上側,用于撥動曝氣池內廢水表層的水體;以及
接水池,所述接水池固設在曝氣池的一側,用于接取撥水機構撥動的曝氣池表層水體,所述接水池內設置有與攪拌機構相連且用于將接水池內的水體向曝氣池內輸送的排水組件,所述排水組件外側連接有曝氣組件。
優選的,所述攪拌機構包括固設在曝氣池外側的安裝板、設置在安裝板上的驅動電機、與驅動電機輸出端相連的驅動軸、設置在驅動軸上的主動錐齒輪、固設在曝氣池上的支撐座、轉動連接在支撐座上的攪拌軸、固設在攪拌軸上且與主動錐齒輪嚙合的從動錐齒輪以及均勻設置在攪拌軸底部的若干L形攪拌架。
優選的,所述支撐座的底部轉動連接有套設在攪拌軸外側的套管,所述套管與支撐座之間設置有卷簧,所述套管上固設有與主動錐齒輪嚙合的不完全錐齒輪,所述套管上開設有若干環形槽,每個所述環形槽內纏繞連接有拉繩,所述拉繩遠離環形槽的一端連接有彈性網,所述彈性網的兩端分別與相鄰兩個L形攪拌架相連。
優選的,所述撥水機構包括固設在曝氣池上的L形板、轉動連接在L形板上的撥動軸以及呈圓周均勻設置在撥動軸上的撥水板,所述撥水板上開設有導水槽,所述曝氣池的頂部開設有與撥水板相配合的開口。
優選的,所述排水組件包括轉動連接在L形板上的往復絲桿、固設在往復絲桿上的蝸輪、固設在驅動軸上且與蝸輪嚙合的蝸桿、與往復絲桿螺紋連接的套筒、與套筒固連的連接板、與連接板遠離套筒一端固連的移動桿以及設置在移動桿底部的排水板,所述排水板滑動連接在接水池內。
優選的,所述接水池內壁開設有連通槽,所述排水板與連通槽內壁之間存在空隙,所述接水池與曝氣池之間設置有單向閥。
優選的,所述往復絲桿的光滑段連接有第二錐齒輪,所述撥動軸上固設有與第二錐齒輪嚙合的第一錐齒輪。
優選的,所述曝氣組件包括固設在接水池上的連接座、與連接座固連的工作管、與移動桿相連且滑動連接在工作管內的活塞板、固設在工作管頂部的進氣閥、與工作管相連的排氣管、與排氣管遠離工作管一端相連的曝氣板以及設置在曝氣板上的若干曝氣頭,所述排氣管內設置有排氣閥,所述排氣管遠離工作管的一端依次穿過接水池和曝氣池并與曝氣板相連。
優選的,所述活塞板將工作管分隔為上腔體和下腔體,所述進氣閥和排氣管均與上腔體相連,所述下腔體外接有進水管,所述進水管內設置有進液閥,所述進水管遠離工作管的一端置于曝氣池的側邊頂部,所述下腔體的底部還設置有置于接水池上側的出水閥。
本發明還公開了一種有機廢水處理裝置的處理方法,包括種有機廢水處理裝置,還包括以下步驟:
S1:有機廢水排放至曝氣池后,控制攪拌機構運行,使攪拌機構帶動排水組件和曝氣組件工作,通過控制驅動電機運行,使驅動電機的輸出端帶動驅動軸轉動,驅動軸上的主動錐齒輪與攪拌軸上的從動錐齒輪嚙合,使從動錐齒輪帶動攪拌軸以及攪拌軸外側的L形攪拌架在曝氣池內做攪拌動作;
S2:驅動軸轉動時外側的蝸桿與往復絲桿上的蝸輪嚙合傳動,往復絲桿轉動并通過第二錐齒輪與第一錐齒輪嚙合,使第一錐齒輪帶動撥動軸旋轉,撥動軸轉動時帶動撥水板在曝氣池水面上轉動,使撥水板對曝氣池表層的水體進行撥動,撥動的水體從開口處進入接水池;
S3:往復絲桿的持續轉動使得其外側套筒上下往復移動,套筒通過連接板帶動移動桿和移動桿底部的排水板上下往復移動,排水板上移時,從開口處進入接水池中的廢水通過連通槽進入接水池的底側,排水板下移時,排水板對接水池底側的廢水擠壓,使接水池內的廢水通過單向閥排向曝氣池的底部,能夠對位于曝氣池底部沉積的活性污泥進行攪動,同時實現曝氣池內廢水的上下轉換,使曝氣池內的廢水依次與空氣接觸進氣曝氣;
S4:移動桿上下往復移動過程中帶動活塞板在工作管內移動,活塞板在工作管內下移時,工作管通過進氣閥抽取外側的空氣,活塞板在工作管內上移時可對工作管此前抽取的空氣通過排氣管排向曝氣板,使曝氣板排出空氣氣泡在曝氣池內,對曝氣池中的污水進行曝氣,且L形攪拌架在曝氣池內轉動,可對廢水進行攪拌以及對廢水中的空氣氣泡進行破碎,提高廢水與氣泡的接觸面積,使廢水和氣泡混合均勻。
與現有技術相比,本發明提供了一種有機廢水處理裝置及方法,具備以下有益效果:
1、該有機廢水處理裝置及方法,通過控制攪拌機構運行,使攪拌機構帶動排水組件和曝氣組件工作,使污水與空氣充分接觸,提高污水曝氣效果,有效提升廢水處理效果。
2、該有機廢水處理裝置及方法,通過撥水機構工作,使曝氣池表層水體撥動至接水池內,隨后排水組件工作,使排水組件將進入接水池內的廢水排向曝氣池底部,實現曝氣池內廢水的上下轉換,使曝氣池內的廢水依次與空氣接觸進行曝氣,有效提升廢水處理效果。
3、該有機廢水處理裝置及方法,通過排水組件工作時,移動桿帶動活塞板在工作管內移動,當活塞板在工作管內下移時,工作管通過進氣閥抽取外側的空氣,活塞板在工作管內上移時可對工作管此前抽取的空氣通過排氣管排向曝氣板,使曝氣板排出空氣氣泡在曝氣池內,對曝氣池中的污水進行曝氣,且L形攪拌架在曝氣池內轉動,可對廢水進行攪拌以及對廢水中的空氣氣泡進行破碎,提高廢水與氣泡的接觸面積,使廢水和氣泡混合均勻,使得曝氣腔內的氧氣分布均勻,有效提升水處理效果。
(發明人:艾森;艾洪勇;孫佳晶;李旺)






