公布日:2023.09.05
申請日:2023.06.16
分類號:C02F11/13(2019.01)I;C02F11/06(2006.01)I;B01D53/75(2006.01)I;B01D53/56(2006.01)I;B01D53/02(2006.01)I;B01D46/00(2022.01)I
摘要
本申請涉及污泥處置技術領域,尤其涉及一種污泥綜合處置系統和方法。系統包括:進料裝置;脫水裝置,與進料裝置連接,用于對預熱濃縮污泥脫水得到脫水污泥;干化裝置,與脫水裝置連接,用于將脫水污泥干化得到干污泥;焚燒裝置,與干化裝置連接,用于對干污泥進行焚燒;余熱處理裝置,與干化裝置和焚燒裝置連接,用于產生飽和蒸汽,并將飽和蒸汽送入干化裝置;濃縮污泥預熱濃縮污泥預熱裝置,與干化裝置連接,用于對濃縮污泥進行處理,得到預熱濃縮污泥;尾氣處理裝置,與濃縮污泥預熱濃縮污泥預熱裝置連接,用于處理濃縮污泥預熱裝置產生的尾氣。本申請提供的污泥綜合處置系統能夠實現內部能量與物料交叉利用,顯著降低能耗和處理成本。

權利要求書
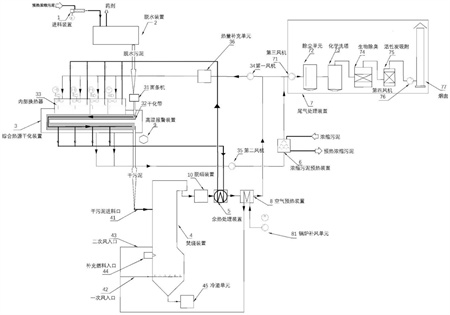
1.一種污泥綜合處置系統,其特征在于,包括:進料裝置(1);脫水裝置(2),與所述進料裝置(1)相連接,用于對預熱濃縮污泥脫水得到脫水污泥;干化裝置(3),與所述脫水裝置(2)相連接,用于將所述脫水污泥進行干化得到干污泥;焚燒裝置(4),與所述干化裝置(3)相連接,用于對所述干污泥進行焚燒;余熱處理裝置(5),與所述干化裝置(3)和所述焚燒裝置(4)相連接,用于根據來自所述焚燒裝置(4)的煙氣和來自所述干化裝置(3)的冷凝液,產生飽和蒸汽,并將所述飽和蒸汽送入所述干化裝置(3);濃縮污泥預熱裝置(6),與所述干化裝置(3)和所述進料裝置(1)相連接,用于通過來自所述干化裝置(3)的煙氣對濃縮污泥進行預熱處理,得到所述預熱濃縮污泥,并將所述預熱濃縮污泥送入所述進料裝置(1);尾氣處理裝置(7),與所述濃縮污泥預熱濃縮污泥預熱裝置(6)相連接,用于處理所述濃縮污泥預熱裝置(6)產生的尾氣。
2.根據權利要求1所述的系統,其特征在于,還包括:空氣換熱裝置(8),與所述余熱處理裝置(5)和所述尾氣處理裝置(7)相連接,用于將來自所述余熱處理裝置(5)的煙氣進行換熱處理,并送入所述干化裝置(3)、所述焚燒裝置(4),和/或送入所述尾氣處理裝置(7)。
3.根據權利要求2所述的系統,其特征在于,所述干化裝置(3)包括:面條機(31)、干化帶(32)、內部換熱器(33)、第一風機(34)、第二風機(35);所述面條機(31)分別與所述脫水裝置(2)和所述干化帶(32)相連接,所述干化帶(32)與所述焚燒裝置(4)相連接;來自所述脫水裝置(2)的脫水污泥經所述面條機(31)后形成條狀污泥并送入所述干化帶(32),所述條狀污泥經過所述干化帶(32)后得到所述干污泥并送入所述焚燒裝置(4);所述內部換熱器(33)用于將來自所述余熱處理裝置(5)的飽和蒸汽和來自所述空氣預熱裝置(8)的煙氣熱量,進行換熱處理;所述第一風機(34)與所述空氣預熱裝置(8)和所述內部換熱器(33)相連接,用于將空氣預熱裝置(8)的熱量送入所述內部換熱器(33);所述第二風機(35)與所述干化裝置(3)和所述濃縮污泥預熱濃縮污泥預熱裝置(6)相連接,用于將所述干化裝置(3)的煙氣送入所述濃縮污泥預熱裝置(6)。
4.根據權利要求3所述的系統,其特征在于,還包括:熱量補充單元(36),與所述內部換熱器(33)和所述第一風機(34)相連接,用于對所述第一風機(34)對送入所述內部換熱器(33)的熱量進行補充。
5.根據權利要求3所述的系統,其特征在于,還包括:高溫報警裝置(9),設置于所述干化裝置(3)內,用于對所述干化裝置(3)內溫度進行監測。
6.根據權利要求3所述的系統,其特征在于,所述空氣預熱裝置(8)還包括:鍋爐補風單元(81),用于向所述焚燒裝置(4)送入煙氣。
7.根據權利要求6所述的系統,其特征在于,所述焚燒裝置(4)設置有干污泥進料口(41)、一次風入口(42)、二次風入口(43)和補充燃料入口(44)和冷渣單元(45);其中,所述干污泥進料口(41)與所述干化帶(32)相連接,用于將所述干污泥送入所述焚燒裝置(4);所述一次風入口(42)和所述二次風入口(43)與所述鍋爐補風單元(81)相連接,用于向焚燒裝置(4)進行補風。
8.根據權利要求1所述的系統,其特征在于,還包括:脫硝裝置(10),與所述焚燒裝置(4)和所述余熱處理裝置(5)相連接,用于對來自所述焚燒裝置(4)的煙氣進行脫硝,并將脫硝后的煙氣送入所述余熱處理裝置(5)。
9.根據權利要求3所述的系統,其特征在于,所述尾氣處理裝置(7)包括依次連接的第三風機(71)、除塵單元(72)、化學洗滌單元(73)、生物過濾單元(74)、活性炭吸附單元(75)、第四風機(76)以及煙囪(77);所述第三風機(71)與所述第一風機(34)以及所述空氣預熱裝置(8)相連接,來自所述空氣預熱裝置(8)的煙氣被所述第一風機(34)送入所述干化裝置(3),來自所述濃縮污泥預熱裝置(6)的尾氣被所述第三風機(71)送入所述除塵單元(72)。
10.一種污泥綜合處置方法,其特征在于,包括:通過進料裝置(1)進料預熱濃縮污泥;通過脫水裝置(2)對所述預熱濃縮污泥脫水得到脫水污泥;通過干化裝置(3)將所述脫水污泥進行干化得到干污泥;通過焚燒裝置(4)對所述干污泥進行焚燒;通過余熱處理裝置(5)根據來自所述焚燒裝置(4)的煙氣和來自所述干化裝置(3)的冷凝液產生飽和蒸汽,并將飽和蒸汽送入所述干化裝置(3);通過濃縮污泥預熱裝置(6)根據來自所述干化裝置(3)的煙氣對濃縮污泥進行預熱處理,得到所述預熱濃縮污泥,并將所述預熱濃縮污泥送入所述進料裝置(1);尾氣處理裝置(7),用于處理所述濃縮污泥預熱裝置(6產生的尾氣通過空氣預熱裝置(8),將來自所述余熱處理裝置(5)的煙氣進行換熱處理,并送入所述干化裝置(3)、所述焚燒裝置(4),和/或送入所述尾氣處理裝置(7)。
發明內容
鑒于現有技術的以上問題,本申請提供一種污泥綜合處置系統和方法,其能夠實現污泥綜合處置系統內部能量與物料的交叉利用,顯著降低能耗和處理成本。
為達到上述目的,本申請第一方面提供的一種污泥綜合處置系統,包括:
進料裝置1;
脫水裝置2,與進料裝置1相連接,用于對預熱濃縮污泥脫水得到脫水污泥;
干化裝置3,與脫水裝置2相連接,用于將脫水污泥進行干化得到干污泥;其中,干化裝置3通過飽和蒸汽對脫水污泥進行干化處理后形成冷凝液送入余熱處理裝置5產生飽和蒸汽,并送入干化裝置3;
焚燒裝置4,與干化裝置3相連接,用于對干污泥進行焚燒;
余熱處理裝置5,與干化裝置3和焚燒裝置4相連接,用于根據來自焚燒裝置(4)的煙氣和來自干化裝置(3)的冷凝液,產生飽和蒸汽,并將飽和蒸汽送入干化裝置3;
濃縮污泥預熱裝置6,與干化裝置3和所述進料裝置1相連接,用于通過來自干化裝置3的煙氣對濃縮污泥進行預熱處理,得到預熱濃縮污泥,并將預熱濃縮污泥送入所述進料裝置1;
尾氣處理裝置7,與濃縮污泥預熱裝置6相連接,用于處理濃縮污泥預熱裝置(6)產生的尾氣。
本實施方式中,通過充分整合濃縮、脫水、干化、焚燒各環節的物料與能量優勢,實現了內部能量與物料交叉利用,徹底利用焚燒余熱,降低能耗。
作為本申請一種可能的實現方式,還包括:
空氣預熱裝置8,與余熱處理裝置5和尾氣處理裝置7相連接,用于將來自余熱處理裝置5的煙氣傳入干化裝置3,和/或傳入尾氣處理裝置7。
本實施方式中,通過空氣預熱裝置將攜帶有熱量的煙氣送入干化裝置,對煙氣中的熱量加以利用,實現了能量的高效利用。
作為本申請一種可能的實現方式,干化裝置3包括:
面條機31、干化帶32、內部換熱器33、第一風機34、第二風機35;
面條機31分別與脫水裝置2和干化帶32相連接,干化帶32相與焚燒裝置4相連接;來自脫水裝置2的脫水污泥經面條機31后送入干化帶32,干化帶32將干污泥送入焚燒裝置4;
內部換熱器33用于將余熱處理裝置5的飽和蒸汽和空氣預熱裝置8的熱量,進行換熱處理;
第一風機34與空氣預熱裝置8和內部換熱器33相連接,用于將空氣預熱裝置8的熱量送入內部換熱器33;
第二風機35與干化裝置3和濃縮污泥預熱裝置6相連接,用于將干化裝置3的煙氣送入濃縮污泥預熱裝置6。
本實施方式中,通過焚燒煙氣并入循環載氣進行換熱,后被濃縮污泥洗滌,同時利用經面條機后送入干化帶,鋪在干化帶上形成污泥層,吸附、截留煙氣中粉塵、顆粒、有害氣體等污染物,有效降低尾氣處理成本。
作為本申請一種可能的實現方式,還包括:
熱量補充單元36,與內部換熱器33和第一風機34相連接,用于對第一風機34對送入內部換熱器33的熱量進行補充。
本實施方式中,當循環煙氣的熱量不足時,通過設置的熱量補充單元進行熱量補充,保證進入干化裝置3內熱量符合要求。
作為本申請一種可能的實現方式,還包括:
高溫報警裝置9,設置于干化裝置3內,用于對干化裝置3內溫度進行監測。
本實施方式中,通過高溫報警裝置9對干化裝置3內溫度進行監測,若其溫度過高,則可以停止攜帶熱量的循環煙氣進入干化裝置3。
作為本申請一種可能的實現方式,空氣預熱裝置8還包括:鍋爐補風單元81,用于向焚燒裝置4送入煙氣。
作為本申請一種可能的實現方式,焚燒裝置4設置有干污泥進料口41、一次風入口42、二次風入口43、補充燃料入口44和冷渣單元45;
其中,干污泥進料口41與干化帶32相連接,用于將干污泥送入所述焚燒裝置4;
一次風入口42和二次風入口43與鍋爐補風單元81相連接,用于向焚燒裝置4補風。
作為本申請一種可能的實現方式,還包括:
脫硝裝置10,與焚燒裝置4和余熱處理裝置5相連接,用于對來自焚燒裝置4的煙氣進行脫硝。
作為本申請一種可能的實現方式,尾氣處理裝置7包括依次連接的第三風機71、除塵單元72、化學洗滌單元73,生物過濾單元74,活性炭吸附單元75、第四風機76以及煙囪77。
本實施方式中,通過設置尾氣處理裝置7,對煙氣進行處理,達標后進行排放,有效減小污染。
作為本申請一種可能的實現方式,第三風機71與第一風機34以及空氣預熱裝置8相連接,來自空氣預熱裝置8的煙氣被第一風機34送入干化裝置3,來自濃縮污泥預熱裝置6的尾氣被第三風機71送入除塵單元72。
本實施方式中,通過設置第三風機71與第一風機34以及空氣預熱裝置8相連接,并且合理設置風機的風壓,使得在系統正常工作時,來自空氣預熱裝置8的煙氣能夠被第一風機34送入干化裝置3,來自濃縮污泥預熱裝置6的尾氣能夠被第三風機71送入除塵單元72等進行尾氣處理。而在干化裝置3溫度過高時,可以由第三風機71將來自空氣預熱裝置8的煙氣送入尾氣處理裝置7。
本申請第二方面提供的一種污泥綜合處置方法,包括:
通過進料裝置1進料預熱濃縮污泥;
通過脫水裝置2對預熱濃縮污泥脫水得到脫水污泥;
通過干化裝置3將脫水污泥進行干化得到干污泥;
通過焚燒裝置4對干污泥進行焚燒;
通過余熱處理裝置5產生飽和蒸汽,并將飽和蒸汽送入干化裝置3對脫水污泥進行干化;其中,干化裝置3通過飽和蒸汽對脫水污泥進行干化后形成冷凝液,并將冷凝液送入余熱處理裝置5產生飽和蒸汽,并送入干化裝置3;
通過濃縮污泥預熱裝置6,與干化裝置3相連接,通過來自干化裝置3的煙氣對濃縮污泥進行處理,得到預熱濃縮污泥;
尾氣處理裝置7,與濃縮污泥預熱裝置6相連接,用于進行尾氣處理;
通過空氣預熱裝置8,將來自余熱處理裝置5的煙氣送入干化裝置3,和/或送入尾氣處理裝置7。
本申請提供的污泥綜合處置方案,從濃縮污泥源頭進行全流程設計,充分整合濃縮、脫水、干化、焚燒各環節的物料與能量優勢,實現內部能量與物料交叉利用。徹底利用焚燒余熱,降低能耗。焚燒煙氣在濃縮污泥預熱裝置合并進入循環載氣,換熱后,被濃縮污泥洗滌,大部分循環,少部分進入尾氣處理。處理后煙氣溫度低,同時利用干化帶上的污泥層吸附、截留煙氣中粉塵、顆粒、有害氣體等污染物,可顯著降低尾氣處理成本,處理后達標排放,極大降低項目投資。同時,利用濃縮污泥作為冷卻介質冷卻尾氣,一方面節省冷卻水等冷卻介質的投入成本,同時可提高進料濃縮污泥溫度,顯著提高脫水效果。
(發明人:李國文;高鑫;唐述山;郭卓一;黨文達)






