申請日2015.07.07
公開(公告)日2015.11.18
IPC分類號C02F1/66
摘要
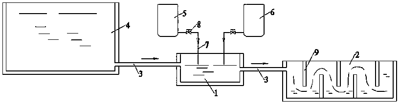
本實用新型公開了一種無動力中密度纖維板生產廢水pH調節裝置,包括相互之間通過管道連通的pH調節池和混合池,其中pH調節池的進水口通過管道與車間廢水池的出水口相連,混合池的出水口與初沉池相連通,在pH調節池的上方分別設有鹽酸罐和氫氧化鈉溶液罐,該鹽酸罐和氫氧化鈉溶液罐分別通過加液管與pH調節池相連通,加液管上分別設有閥門,混合池內部沿水流方向設有交替排布的折流板。本實用新型改變了傳統混合攪拌釜間歇攪拌混合均勻的環節,通過格欄流攪拌實現了廢水的連續無動力均勻混合,pH調節效果較為理想,提高了廢水處理效率且一定程度上降低了運行成本。
權利要求書
1.一種無動力中密度纖維板生產廢水pH調節裝置,其特征在于包括相互之間通過管道連通的pH調節池和混合池,其中pH調節池的進水口通過管道與車間廢水池的出水口相連,混合池的出水口與初沉池相連通,在pH調節池的上方分別設有鹽酸罐和氫氧化鈉溶液罐,該鹽酸罐和氫氧化鈉溶液罐分別通過加液管與pH調節池相連通,加液管上分別設有閥門,混合池內部沿水流方向設有交替排布的折流板。
說明書
一種無動力中密度纖維板生產廢水pH調節裝置
技術領域
本實用新型屬于中密度纖維板生產廢水處理裝置技術領域,具體涉及一種無動力中密度纖維板生產廢水pH調節裝置。
背景技術
在中密度纖維板生產線中,壓機廢水中含有大量的木質素,如果不加以回收利用,不僅會對資源造成浪費,而且會污染環境。目前用于中密度纖維板生產廢水pH調節的裝置為混合攪拌釜,需要在混合攪拌釜內投加酸液或堿液,借助于混合攪拌釜底部的攪拌裝置攪拌混合均勻,通常為間歇運行,處理效率較低、混合效果較差且運行成本相對較高。
發明內容
本實用新型解決的技術問題是提供了一種結構簡單且成本低廉的無動力中密度纖維板生產廢水pH調節裝置。
本實用新型為解決上述技術問題采用如下技術方案,一種無動力中密度纖維板生產廢水pH調節裝置,其特征在于包括相互之間通過管道連通的pH調節池和混合池,其中pH調節池的進水口通過管道與車間廢水池的出水口相連,混合池的出水口與初沉池相連通,在pH調節池的上方分別設有鹽酸罐和氫氧化鈉溶液罐,該鹽酸罐和氫氧化鈉溶液罐分別通過加液管與pH調節池相連通,加液管上分別設有閥門,混合池內部沿水流方向設有交替排布的折流板。
本實用新型改變了傳統混合攪拌釜間歇攪拌混合均勻的環節,通過格欄流攪拌實現了廢水的連續無動力均勻混合,pH調節效果較為理想,提高了廢水處理效率且一定程度上降低了運行成本。







